



连接器制作流程

![]() | 选材—台湾进口优质原材 选用国际59-1(特A级)的优质黄铜,又称乐器级黄铜。含铜量高、硬度高、杂质少、不易变形,电流信号传输更流畅,信号丢失率更低。 台湾品质 出口标准 |
冲压—高速冲压一体成型 进口18台大型高速冲压机,将插针一体冲压成型,确保产品品质,并筛选出扭曲、脆裂、变形的产品。 一体成型 确保品质 | ![]() |
![]() | 电镀—5层电镀工艺 在全长120米的全自动环形电镀线上, 产品表面经五层电镀处理,确保产品通过260/280度严格测试 | 通过24小时盐雾测试。 5层电镀 严格测试 |
注塑—精密注塑工艺 拥有30台成型线注塑机,采用台湾进口高性能PET塑料原材,确保长期高温状态正常使用,电绝缘性优良,出口标准级的注塑工艺,确保产品寿命。 精密注塑 确保寿命 |
|
![]() | 组装—纯手工组装质检 100多名熟练工人,纯手工对各种配件进行手工组装,去除有瑕疵的产品,对于产品表面效果的把控不仅体现苛刻的技术标准,更体现了 人对卓越品质追求的信念。 手工组装 卓越品质 |
测试— 高于国际标准的严格质检 远高于国际标准的严格检测程序,质检人员逐只检验,并通过盐雾测试箱、280°高温测试,不放过任何瑕疵。 严格检测 高于国际标准 | ![]() |
定制流程


强大实力

20年连接器生产经验 电子是一家专业的生产电子连接器、各类精密接插件、各类高品质卡座等产品的生产型企业。公司核心人员,均有20年的连接器生产经验,目前拥有员工300余人,20年来,为30多个领域的2000多家企业提供高品质的连接器产品。 |
占地6000平方的自有工厂 公司拥有占地6000平方的自有工厂,15条现代化生产线,日产连接器20万个。并拥有射出成型机40台,高速精密冲床18台,自动插PIN机、端子压着机50台,成型注塑机30台以及其他相关检测设备。 |
远超国际标准,多项国家认证 通过ISO9001,TS16949质量管理体系认证及ISO4001、QC0800000环境管理体系等国际认证。荣获广东省著名商标、国家级高新技术企业、拥有35项国家专利。 |
占地6000平方的自有工厂 的售后原则是:如果是产品质量问题,我们无条件包换。配备专业的客服团队,24小时在线,为您解答关于连接器应用的一切问题,让你售后无忧。 |
欢迎进入
Welcome
|
|
是集研发、生产、销售、服务于一体的精密接插件及线束的专业厂商,成立于2003年,公司的突出优势在于研发能力雄厚,拥有大量的专有技术以及行业内非专有技术 全国服务热线:0755-29055299 |
联系我们
Contact us
![]() | 服务热线:0755-29055299 | ![]() | 传真:0755-83464652 | ![]() | 卢先生:18924670453 刘小姐:13715330194 张小姐:13316412607 |
| 邮箱:xinpengbo2012@163.com | ![]() | 销售地址:深圳市龙华区民治大道展滔科技大厦B座801 生产地址:深圳市光明新区楼村鲤鱼水鑫博盛科技园B栋4楼 | ||




公司地图
Company map
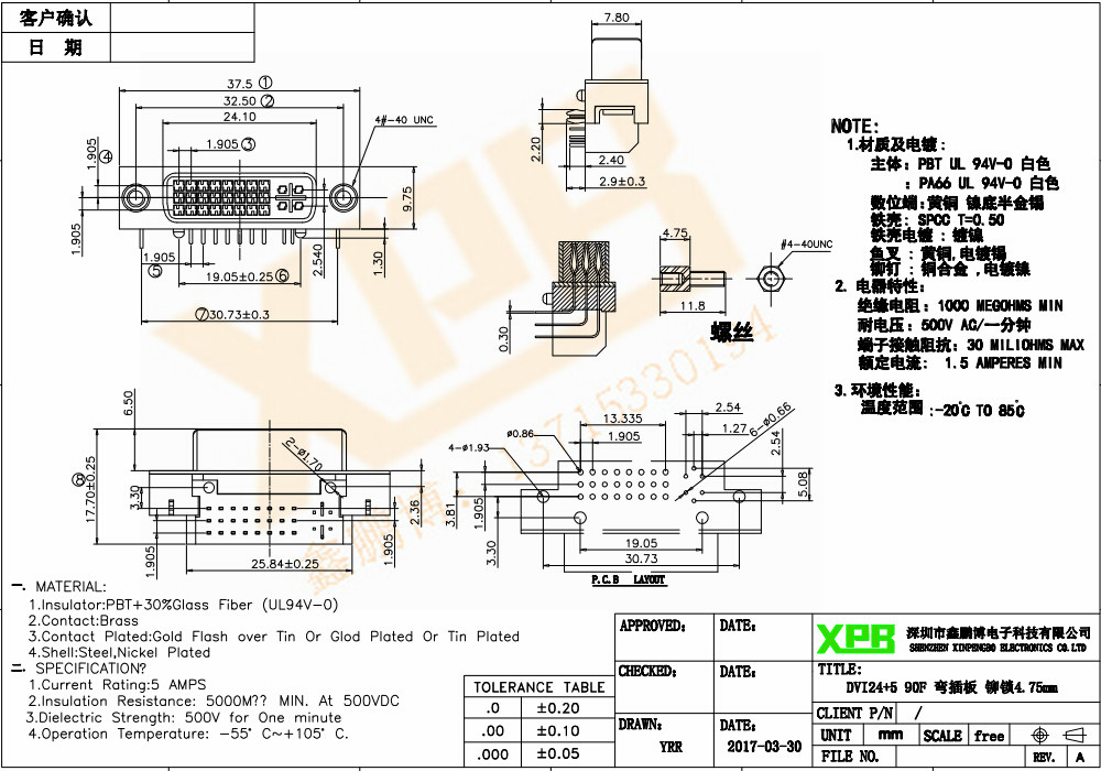
咨询:DVI24+5对sliml母 间距19.05 锁4.8螺丝
* 为必填项